Transportable Navy Communication Stations


AN/TSC-24 Air Transportable Communications Unit
 - 3 shelters (ATCU-100) or 5 shelters (ATCU-100A) plus diesel generators
- can be airlifted via 1 C-133 or 2 C-124's or CH-47 Chinook sling
(Technical Materiel Corp. Project Dog)

  • ATCU-One - ATCU-100A deployed from Honolulu to Can Tho, Vietnam March 1966 - Photos and Info
    • "The rapid development of plans for increased river patrol force operations in South Vietnam created an urgent requirement to provide CTF 116 with a communications capability in the Can Tho area, An engineering team was in Vietnam conducting a survey to provide plans for permanent communications facilities at Can Tho. Pending completion of permanent communications facilities, an Air Transportable Communication Unit (ATCU-100A) from U. S. Naval Communication Station, Honolulu, was being modified for use at the Can Tho site by 15 March. Until permanent personnel were assigned by CTF 116, a total of two officers and thirty-four enlisted men from Honolulu and Japan would operate and maintain the unit."
  • ATCU-Two - NavCommSta Puerto Rico
  • ATCU-Three - ATCU-100A deployed from Philippines to Da Nang, Vietnam 1966-?
  • ATCU-Four - ATCU-100A deployed from NavCommSta Washington DC to Ambala Air Force Base, India 1963
  • ATCU-Four - ATCU-100  deployed from Norfolk to Diego Garcia 1971-72 to support SeaBees building the permanent station
  • ATCU-Five - ACTU-100A deployed from Norfolk to Key West 1962-1969 - Photos - positioned at NRTF Driver - 1979 deployed to Camp Lejeune for an exercise?
  • ATCU-Six - NavCommSta Japan - deployments?
  • ATCU Six - 1977 transferred from Lulualei HI to NAVCOMMSTA Philippines
  • ATCU-Seven - ATCU-100 deployed from Philippines to U-Tapao, Thailand  1968-? - Photos
  • ATCU-Eight - ATCU-100A deployed from Honolulu aboard USS Yorktown for Apollo 8 recovery - 1968
  • ATCU-Nine - ATCU-100 moved from Washington DC to Philippines 1967 
  • ATCU-Nine? - ATCU-100 deployed from Philippines to Cam Ranh Bay, Vietnam March-May 1967
  • ATCU-Nine - ATCU-100 deployed from Philippines to Yongsan, Korea to provide communications following USS Pueblo incident, January 1968 - Photos
  • ATCU-Nine - ATCU-100 deployed from Philippines to Yongsan, Korea for joint ROK/US Marine exercise - late 1970's
    • Harold Miller says " 22 Sailors and 3000 marines. Darned cold before we got our vans, we were all in Tropical greens, and there was snow on the ground. I remember walking in circles in an old movie theater with about a thousand other freezing folks... Anyway, we had a Transmitter Van, a Receiver Van, and my home was the Crypto van. We used a big inverted V antenna with florescent lights tubes tied to it, so the grunts wouldn't grab it when we were transmitting (the RF would make the tubes glow)"
  • ATCU-Ten - ATCU-100 deployed from Port Lyautey to Morocco Royal Palace March-April 1963 - Photos and Info
  • ATCU-Eleven - ATCU-100A deployed from Rota to Decimomannu Air Base, Sardinia 1966
  • ATCU-Twelve - Londonderry ATCU-100A - deployed to Thurso 1963 then where???
  • ATCU-?? - ATCU-100 at Nea Makri Greece
  • ATCU-?? - ATCU-100 at Guam
  •  
  • Were there others? Please send e-mail with any info or photos

atcu-frt39.jpg (230359 bytes)

Complete System Description Document (.pdf file)

Typical ATCU van and antenna layout
tsc24-map.JPG (162475 bytes)

Capabilities   patch-atcu-utapao.jpeg (237519 bytes)

Receiver-Control Shelter AN/TRR-16

Medium Power Transmitter Shelter AN/TRT-12

High Power Transmitter Shelter  AN/TRT-13  (ATCU-100A only)

Relay Shelter OA-3773/TSC-24 (ATCU-100A only)

Repair and Maintenance Shelter


AN/TSC-35
Land or sea transportable communications unit
- 58 shipping containers
- Deployed at NAVCOMMSTA Greece 
- and anywhere else?

Please send me e-mail if you have any photos or more info.

Manual - Part I - download 51 MB pdf
Manual - Part II - download 63 MB pdf
Manual - Part III - download 19 MB pdf

Where is this? Not Nea Makri.
maybe the Kato Souli transmitter site?
Please e-mail any info

tsc-111.JPG (299948 bytes)

TMC Project Judy - photos of AN/TSC-35 development and construction

The U. S. Navy Transportable Communication System AN/TSC-35  is a complete communication station consisting of a Receiving Central AN/TSR-1 (COMMCENTER/Receiver site) and a Transmitting Central AN/TST-2 (Transmitter site). (See artists concept of completed sites, figures 1-1 and 1-2.) Communication equipment, repair, supply, and primary power facilities at both sites are housed in 40-foot containers which have been designed for land or sea transport and for rapid on-site installation. Associated transmitting and receiving antennas, primarily in kit form, can likewise be installed in a minimum of time. The assembled communication system provides point-to-point, ship-shore, air-ground and broadcast communication facilities, with cryptographic capability, of the extent and quality comparable to a fixed shore communication station. 

Communication System AN/TSC-35 is comprised of  26 containers at the Receiving Central AN/TSR-1 arranged as shown in figure 1-3, 30 containers (and a Helix container which is not shown) at the Transmitting Central AN/TST-2 arranged as shown in figure 1-4, and one mobile workshop trailer. The containers at each site (except for the power group, the mobile workshop trailer and Helix container) are joined together end-to-end to form wings, and the wings are joined allowing internal access from wing to wing. The containers are mounted on adjustable support assemblies that allow for all joined containers to be maintained at the same level. The containers are identified according to their positions in their respective wings at each site, such as RA1 or TA1, the R for receiver site or T for transmitter site, the A for the wing location, and the 1 for the first container in the wing nearest the center of the group. The forward ends of the containers face the outside of the complex. The power generation and distribution containers at both sites are physically separated from the remainder of the complex as illustrated in figure 1-3 and 1-4. These containers are designated by first a letter G, followed by R for Receiving Central or T for Transmitting Central, and a numeral suffix such as 1 for Power Distribution, 2 for Power Control, and 3, 4, 5, or 6 for Generators. All AN/TSC-35 containers, with the exception of the power distribution, generator and helix containers, are equipped with all-weather air-conditioning units that mount on the outside walls. 

AN/TSR-1 Receiver Site (26 containers)

tsc35-01.JPG (171215 bytes) tsc35-02.JPG (38340 bytes)
RA1 -HICOM/ASC 
RA2 - Off-Line and Crypto Repair 
RA3 - Special Receiver 
RB1 - Classified Control 
RB2 - Crypto 
RB3 - Crypto 
RC1 - Multi- Channel Crypto 
RD1 - Electronic Repair 
RD2 - Supply Container 
RE1 - Unclassified Control 
RE2 - HICOM Voice & Microwave
RE3 - Receivers
RE4 - Receivers and RF Patching 
RF1 - Message Center 
RF2 - C/W Ship/Shore 
RF3 - Air/Ground
RG1 - Communication Off ice
RH1 - TTY Repair 
RJ1 - NTX Receive 
RJ2 - NTX Send Electric Power System 
GR1 - Power Distribution
GR2 -Power Control
GR3 and GR6- Generators
GR4 and GR5 -No Break Power

AN/TST-2 Transmitter Site

tsc35-04.JPG (162641 bytes) tsc35-03.JPG (34549 bytes)
TA1 - Transmitter Set 10 KW
TA2 - Transmitter Set 10 KW
TB2 - Transmitter Set 10 KW
TB3 - Transmitter Set 10 KW
TC4 - Transmitter Set 10 KW
TD4 - Transmitter Set 10 KW
TG2 - Transmitter Set 10 KW
TA3 - Transmitter Set 1 KW and 10 KW
TB1 - Transmitter Set 40 KW
TC2 - Transmitter Set 40 KW
TC3 - Transmitter Set 40 KW
TD2 - Transmitter Set 40 KW
TD3 - Transmitter Set 40 KW
TG3 - Transmitter Set 40 KW
TH1 - Transmitter Set 40 KW
TC1 - Transmitter Control
TD1 - RF Distribution
TE1 - Transmitter Set -Low Frequency
TF1 - Work Shop
TG1 - RF Distribution
TH2 - Transmitter Set 40 KW
TH3 -Transmitter Set 200 KW
TH4 -Transmitter Set 50 KW
TG4 - Low Pass Filter
Helix Container
GT1- Power Distribution
GT2-Power Control
GT3, GT4, GT5 and GT6 Generators
Mobile Workshop Trailer

Operational Capability

RELAY FACILITIES. 
a.  48-line torn-tape NTX class relay with 18 receive page-copy monitors. 
b.  18-line torn-tape HICOM/ASC relay with 12 receive page-copy monitors. 

RECEIVERS. 
a. Nine synthesized SSB diversity receivers with pro visions for installing additional units. 
b. One synthesized SSB non-diversity receiver. 
c. Thirteen diversity RATT receiver/converter bays, one equipped for low-frequency RATT operation. 
d. Three monitor-receiver bays each with 5 receivers and 1 converter. 
e. Six CW/Ship-shore send/receive circuits and one low-frequency distress circuit. 
f. Six HICOM and point-to-point voice terminals. 
g. Nine air/ground, search and rescue circuits; 6 high-frequency and 3 VHF/UHF. 

CRYPTOGRAPHIC FACILITIES. 
a. Sixty-four TSEC/KW-26C send/receive
b. Four TSEC/KW-22 send/receive
c. Three TSEC/KW-22 send/receive bays. 
d. Two TSEC/HW-10/19. 
e. Two AN/GGA-1. 
In addition, space has been provided for four TSEC/ KG- 14 and three TSEC/KW- 7 and associated equipments. 

TERMINAL EQUIPMENT. 
a. Eight 16- channel full-duplex tone-diversity telegraph units. 
b. Four 16- channel non-diversity full-duplex tone telegraph units. 
c. Three sets 8-narrow 4-wideband send non-diversity CCL tone telegraph units from the Receiving Central to the Transmitting Central. 
d. One set 8-narrow 4-wideband send non-diversity CCL tone telegraph unit from the Transmitting Central to the Receiving Central. 
e. One 60-send and 24-receive channel CCL voice terminal at the Receiving Central (expandable to 60-send and 60-receive channels). 
f. One 24-send and 60-receive channel CCL voice terminal at the Transmitting Central (expandable to 60-send and 60-receive channels).
g. Sixteen 3-to-6-kc multiplexer units at the Transmitting Central. 
h. Sixteen 6-to-3-kc demultiplexer units at the Receiving Central.

TRANSMITTERS. 
a. Ten 1-kilowatt (PEP) synthesized SSB Transmitters.
b. Thirty-seven 10-kilowatt (PEP) synthesized SSB  transmitters. 
c. Sixteen 40-kilowatt (PEP) synthesized SSB transmitters. 
d. One 200-kilowatt (PEP) synthesized SSB transmitter.
e. Two 2-kilowatt low-frequency transmitters. 
f. One 15-kilowatt low-frequency transmitter.
g. One 50-kilowatt low-frequency transmitter.
h. 80-line transmitting antenna patching facility equipped with inter-patch panel trunking.
i. Remote RF monitoring and remote visual and  audible alarm facilities at a transmitter control center for all transmitters.

CIRCUIT-PROGRAMMING FACILITIES. 
a. The following main frame circuit-programming facilities are provided:
    1. 5760-pair BLACK program board.
    2. 2880-pair RED program board.
b. The following intermediate distribution frame circuit-programming facilities are provided:
    1. 1440-pair RECEIVERS audio program board.
    2. 1440-pair TRANSMITTERS audio program board.
    3. 1440-pair TRANSMITTERS D-C program board. 
c. The following special distribution frame circuit- programming facilities are provided: 
   1. 360-pair HICOM voice program board. 
   2. 216-pair audio and 108-pair D-C special receiver RED program board. 
   3. 216-pair audio and 108-pair D-C special receiver BLACK program board. 

PATCHING FACILITIES. 
a. 384-send / 384-receive normal-through BLACK circuit monitor patchboard with 192-miscellaneous circuit appearances.
b. 144-send / 144-receive normal- through circuit monitor patchboard with remote and alarm indication each circuit, and 96-miscellaneous circuit appearances. 
c. 24-line send / 24-line receive normal-through HICOM Voice circuit monitor patchboard with 48 miscellaneous circuit appearances.
d. 96-line send / 96-line receive normal-through Receivers monitor patchboard with 48 miscellaneous circuit appearances. 
e. 120-line send / l20-line receive normal-through transmitter circuit monitor patchboard with 48-miscellaneous circuit appearances. 
f.  96-line transmitters DC circuit monitor patch board with 144-miscellaneous DC circuit appearances. 
g. Two special receiver monitor patchboards, one RED and one BLACK, each consisting of 24-line audio and 24-line DC circuits with 24-miscellaneous DC circuit appearances.

WEATHER FACILITIES. 
Four send/receive weather positions.

MULTIPLEX FACILITIES
Three AN/UGC-1A time division TTY multiplex units. 

FACSIMILE. 
a. One facsimile transceiver with associated keyer. 
b. One facsimile continuous page printer with associated converter. 

PRIMARY POWER FACILITIES. 
208-volt, 60-cycle, 3-phase, 4-wire primary power is supplied at each site, with power capability as follows: 
  a. Receiving Central. 2010 kilowatts standard power system and 400-kilowatts no-break power sys tem. 
  b. Transmitting Central. 4020 kilowatts standard. 

REPAIR FACILITIES. 
a. Cryptographic repair area. 
b. Teletype repair shop. 
c. Two electronic repair shops, one at each site. 
d. One mobile workshop trailer. 

SUPPLY FACILITIES. 
One and one-half containers at receiver site and one-half container at transmitter site.

RECEIVER SITE ANTENNA FACILITIES.
a. Six Rotatable Log-Periodic and two fixed Log-Periodic.
b. Three Conical Monopole.
c. Eleven Vertical Folded Doublet.
d. Two Dual- Nested Rhombics. 
e. Two Single Rhombic.
f. Two Low- Frequency Long-Wire.

TRANSMITTER SITE ANTENNA FACILITIES
a. Fourteen Vertical Folded Doublet. 
b. Twenty-nine Conical Monopole (includes one high-power CM).
c. Ten Rotatable Log Periodic. 
d. Six Dual-Nested Rhombics. 
e. Two Single Rhombic. 
f.  Two Low- Frequency Long-Wire.
g. One Low-Frequency 630-foot Pan Polar.
h. One Low-Frequency 359-foot Pan Polar.


USMC AN/TSC-95 - HF Communications System

The Communications System, AN/TSC-95 is intended to provide the Force commander with the means to effect a Fleet Marine Force (FMF) mobile command termination with a naval communications station. The AN/TSC-95 has the capability of terminating two high frequency communication links operating in a full-duplex mode. These links can be either teletype, secure teletype, voice, or any combination thereof.

The mission of the AN/TSC-95 is to provide the landing force with an independent means of exchanging operational and administrative traffic between the landing force and commands outside the objective area. In particular, it will provide access to the worldwide Defense Communication System (DCS) through a naval communications station (NAVCOMMSTA) termination. In a Marine amphibious force operation, it is planned to assign four AN/TSC-95's to the communications support company (CSC) of each of the communications' battalions. One AN/TSC-95 would be provided by the CSC to the senior Marine air-ground task force (MAGTF) commander for effecting an FMF mobile command net termination upon establishment of the landing force command ashore. The remaining AN/TSC-95's would provide similar long-distance terminations for division, wing, and service support group headquarters as required.

The AN/TSC-95 consists of a High Frequency Communications Central, AN/TRC-171, and a Teletypewriter Central, AN/TGC-46, together with necessary antennas and ancillary equipment. The system is housed in two S-280 shelters, which are helicopter transportable or which can be mounted on a standard USMC 5-ton truck. The system does not require a dedicated prime mover. It must be displaced by Helo or truck prior to operation. Two 15-kilowatt (kW), 60-hertz (hz), generators not supplied as part of the AN/TSC-95, are required to power the system. The AN/TRC-171 and AN/TGC-46 are capable of being operated as independent systems. When operated alone, the AN/TRC-171 is capable of establishing the high frequency communication links in the voice mode only, since it contains no record terminal equipment. The AN/TGC-46 can be operated as an independent teletypewriter terminal; however, transmission paths must be provided by other means.

The AN/TSC-95 system provides for reliable single sideband radio-teletype or voice communications with a designed, designated NAVCOMSTA. CW transmission and reception type communications are also available. The system has been designed with maximum patching flexibility and can be operated in various modes, thus permitting the selection of the most advantageous mode for each tactical deployment. The system has three basic modes of operation: FSK, Voice Frequency Carrier Teletype (VFCT), or voice. These three basic modes provide the seven operating mode options that may be employed separately or in combination as listed in Table E-10.

AN/TRC-171 Communications Van
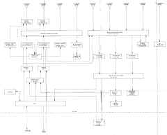
tsc95-RF-block.jpg (521345 bytes)
AN/TSC-95 Message Flow
tsc95-traffic.jpg (300646 bytes)
AN/TSC-95 Operating Modes
tsc95-mode.jpg (388775 bytes)

Mystery Van Commcenter - manufactured by TMC (Project Foxtrot)

Navy ID tags on most equipment - AN/FRT-39 xmtr (GPT-10K), AN/FRT-70 xmtr (synthesized SBT-1K), CV-591A/URR SSB converters, AM-413D/G audio amps, AN/URT-17 FSK converters, CU-168/URR multicoupler - 

I can't tell what is on the left side - I think 2 more SBT-1Ks? Interestingly, not Model 28 TTY gear, but a M19 and M15????
Please send me e-mail with any photos, additional info, etc.

tmc-foxtrot-01.JPG (593272 bytes) tmc-foxtrot-02.JPG (609920 bytes)

the mystery item at the bottom of the rcvr racks say "The Hayes Corporation" and "GAALT" - also labeled WA-623 rcvr on the rack and audio patch panel.

tmc-foxtrot-03.JPG (345228 bytes)


ARMY ONLY?

AN/TSC-16 - air transportable communications unit
 - 2 vans plus tractors & generators
 - airlifted via 3 C-124's

Capabilities

Receiver-Control Van

Transmitter Van