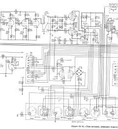
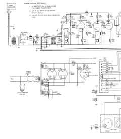
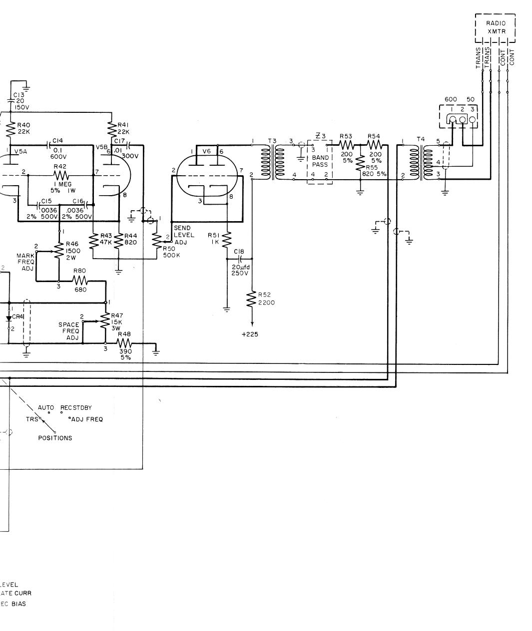
AN/SGC-1A Radioteletype (RTTY or RATT) Terminal Unit
 - detailed circuit description and schematic


PDF of circuit description and schematic


sgc1a-100a.JPG (153815 bytes) sgc1a-100b.JPG (260879 bytes) sgc1a-100c.JPG (239326 bytes) sgc1a-100d.JPG (97622 bytes)